PVC喷淋塔

  • PVC喷淋塔
  • PVC喷淋塔
  • PVC喷淋塔
  • PVC喷淋塔
  • PVC喷淋塔
  • PVC喷淋塔

PVC喷淋塔

PVC喷淋塔是采用聚氯乙烯(PVC)材质制作的废气处理设备,其工作原理与其他材质喷淋塔类似,核心是通过气液接触实现废气净化,同时因PVC材质特性,对特定类型废气有针对性处理能力,具体如下:
 
一、工作原理
 
基于气液吸收与中和反应,流程如下:
 
1. 废气导入:含污染物的废气在风机作用下,从塔体下部进入,向上动。
2. 吸收液喷淋:塔顶喷淋系统将吸收液(如清水、碱性/酸性溶液)加压后,经喷头雾化成液滴向下喷洒,形成密集液幕。
3. 净化反应:上升的废气与下落的液滴充分接触,通过物理吸附(粉尘被捕获)或化学中和(酸碱气体与对应溶液反应)去除污染物。
4. 气液分离:净化后的气体经塔顶除雾器去除携带的液滴,从塔顶排放。
5. 废液循环/处理:吸收污染物的废液汇集到塔底集液槽,可循环使用(补充药剂)或处理后排放。
 
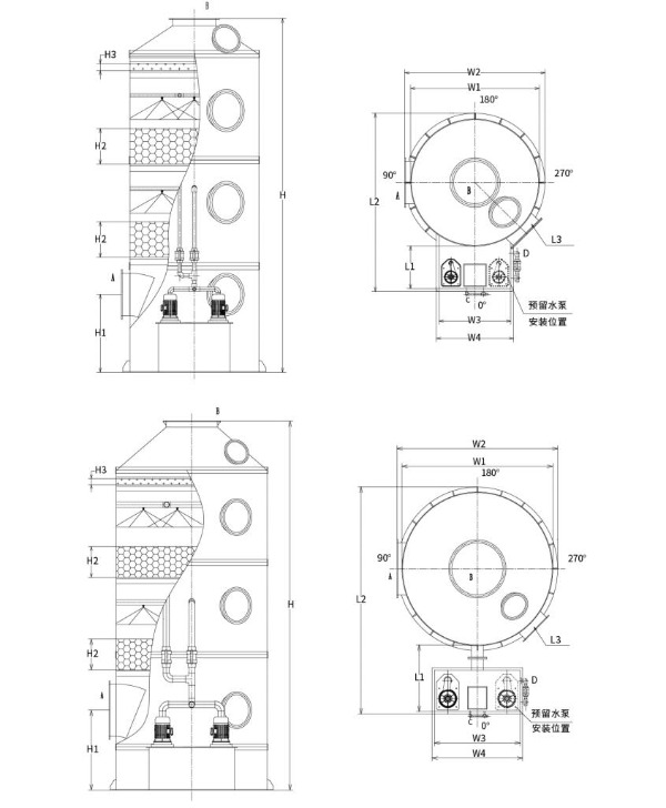
二、内部结构
 
主要由PVC材质部件组成,结构包括:
 
- 塔体:PVC材质的密闭容器(圆柱形或方形),作为气液反应的核心空间。
- 进/出风口:进风口在塔体下部,连接废气管道;出风口在塔顶,连接排放管道。
- 喷淋系统:含循环水泵、喷淋管道、雾化喷头,负责均匀喷洒吸收液。
- 填料层(可选):置于塔体中部,填充惰性填料(如PVC鲍尔环),增加气液接触面积,提升效率。
- 除雾器:位于塔顶出风口前,分离气体中的液滴,避免二次污染。
- 集液槽:塔底空间,收集废液,设有液位控制和排污口。
 
三、适用的废气类型
 
PVC材质具有良好的耐酸性和耐碱性(但耐强碱性较差),且成本较低,因此主要适用于处理以下废气:
 
- 酸性废气:如电镀、酸洗产生的盐酸雾(HCl)、硝酸雾(HNO₃),化工生产中的二氧化硫(SO₂)、氟化氢(HF)等。
- 含粉尘的一般性废气:如机械加工、食品加工中产生的粉尘与少量腐蚀性气体混合的废气。
- 低浓度有机废气:如印刷、涂装行业中含少量有机溶剂(如乙醇、丙酮)的废气(需配合专用吸收剂)。
 
需注意:PVC不耐高温(长期使用温度建议≤60℃),且耐强碱性差,因此不适合处理高温废气、强碱性废气(如高浓度氨气)或含强溶剂的废气。

化学洗涤塔选型
填料喷淋洗涤塔的技术参数表
PP填料喷淋洗涤塔考虑运输的方便及安全性,故将分成两种类别;
第一种:连体式水箱填料喷淋洗涤塔(塔直径:Φ1000mm-Φ2200mm)
第二种:分体式水箱填料喷淋洗涤塔(塔直径:Φ2500mm-Φ3500mm)

型号 处理风量 设备尺寸 水泵功率 填料厚度 风速 设备材质
LRTL-600 0 - 1500m³/h Φ600×3000 0.75KW 500*2 1.48m/s PP/304/Q235/FRP
LRTL-800 1501 - 2500m³/h Φ800×3000 0.75KW 500*2 1.39m/s PP/304/Q235/FRP
LRTL-1000 2501 - 4000m³/h Φ1000×5000 1.5KW 500*2 1.42m/s PP/304/Q235/FRP
LRTL-1200 4001 - 6000m³/h Φ1200×5000 2.2KW 500*2 1.48m/s PP/304/Q235/FRP
LRTL-1500 6001 - 9500m³/h Φ1500×5000 3.75KW 500*2 1.5m/s PP/304/Q235/FRP
LRTL-1800 9501 - 14000m³/h Φ1800×5000 5.5KW 500*2 1.53m/s PP/304/Q235/FRP
LRTL-2000 14001 - 17000m³/h Φ2000×6000 5.5KW 500*2 1.5m/s PP/304/Q235/FRP
LRTL-2200 17001 - 20000m³/h Φ2200×6000 7.5KW 500*2 1.46m/s PP/304/Q235/FRP
LRTL-2500 20001 - 27000m³/h Φ2500×6000 7.5KW 500*2 1.53m/s PP/304/Q235/FRP
LRTL-2800 27001 - 33000m³/h Φ2800×6000 15KW 500*2 1.49m/s PP/304/Q235/FRP
LRTL-3000 33001 - 38000m³/h Φ3000×6800 15KW 500*2 1.49m/s PP/304/Q235/FRP
LRTL-3200 38001 - 44000m³/h Φ3200×6800 15KW 500*2 1.52m/s PP/304/Q235/FRP
LRTL-3500 44001 - 55000m³/h Φ3500×6800 15KW 500*2 1.5m/s PP/304/Q235/FRP

注意:可根据客户要求非标设计定制。

选择图:

杭州绿然环保集团股份有限公司

  • 1000+

    服务单位客户

  • 2000+

    国家工程案例

杭州绿然环保集团股份有限公司是一家集研发、技术服务、设计、生产、工程安装、售后于一体的废气治理系统工程服务商和设备制造商。

集团为国家级高新技术企业,浙江省科技型企业,区研发中心、企业信用AAA级单位;拥有30余项实用新型专利及多项发明专利,软著,并长期和国内高校等开展技术研发合作,与安徽理工大学成立“环保创新研发中心”、浙江理工大学公司共同研发“等离子体能源环境新技术研发中心”,设立自己的研发生产基地进行深度技术合作,拥有VOC气体处理核心技术,拥有“市政公用工程施工总承包二级资质”,“安全生产许可证”,“环保浙江省环境污染治理专项设计乙级”,“劳务资质不分等级”,“特种工程专业承包”,等多项资质,并通过ISO9001国际质量体系认证,ISO14001环境管理体系认证,ISO45001职业健康管理体系认证。

荣誉与证书

以下荣誉代表了我们的才华。我们以高品质的产品赢得客户,以优质的服务赢得市场和各行各业的高度赞誉。

  • 一种防沿面漏电的板式高电场基本单元和反应器
  • 一种利用二氧化碳和水合成甲醇的反应装置及利用二氧化碳和水合成甲醇的方法
  • 自清洗静电除尘设备
  • 一种具有风向调节功能的耐腐蚀高压风机
  • 一种可调节自动清洁的大容量风机
  • 组合式催化气化废气预处理控制系统
  • 蒸汽清洗连续静电场废气净化处理系统
  • 低温等离子UV光解废气净化设备系统
  • 商标注册证书
最近的新闻和活动
与您分享
查看更多新闻
  • 2023 03 07

    关于2022年度浙江省科学技术奖拟提名成果的公示
    2022年度浙江省科学技术奖拟提名项目公示各有关单位: 根据《浙江省科学技术奖励办法》及《浙江省科学技术厅关于2022年度浙江省科学技术奖提名工作的预通知》规定,我单位现对拟提名的省科学技术奖项目(成果名称:高密度等离子体耦合吸收强化处理化工恶臭气体技术的开发与应用)予以公示,公示期为7天(即自2023年3月7日至2023年3月14日)。公示期内如有异议,可来电或来函提出。匿名异议及逾期异议不予...
  • 2023 03 06

    浙江省科学技术奖公示信息表(单位提名)
    提名奖项:科学技术进步奖 成果名称:高密度等离子体耦合吸收强化处理化工恶臭气体技术的开发与应用 提名等级:一等奖 提名书:详见附件   主要完成人:     张旭明(排名第1),浙江理工大学,教授     金玉珍(排名第2),浙江理工大学,教授     李泽清(排名第3),杭州云泽环保科技有限公司,高级工程师     杨治国(排名第4),新疆天富环保科技有限公司,工程师     朱忠怀(排名第5)...
  • 2022 11 16

    如何选用喷淋塔废气处理设备
    喷淋塔是废气处理工程中的常用设备,对提升废气治理效率具有显著效果。选用喷淋塔时需重点关注以下方面: 依据废气风量选择塔体规格 需确保废气在塔内有充分的处理时间,这对喷淋塔的直径与高度提出明确要求。 匹配适配的喷淋泵 喷淋塔通过气液两相混合实现净化效果,而喷淋量是决定处理效率的关键因素。应根据不同风量配置相匹配的喷淋泵。 关注填料层高度设计 填料的主要作用是对液滴进行二次雾化,从而提升废气净化效果。...
  • 2022 10 26

    喷淋塔的核心优势是什么
    1. 优异的净化效能 同等风量下废气喷淋效果优于同业产品,处理效率稳定可靠,排放指标优于室外标准预处理要求。 2. 显著的节能特性 系统无需填料与气液交换托盘,阻力损失小,有效降低运行能耗。 3.  创新的结构设计 采用双层喷淋+三层过滤结构与雾化喷淋工艺,实现气液双程交换,有效延长接触反应时间。 4. 可靠的设备完整性 设备采用无分段连接结构,整体强度高,彻底根除泄漏风险。 5. 优异的耐候材质...
  • 2022 10 24

    废气处理设备分类指南
    废气处理设备是对废气进行治理的环保设备统称。随着环保设备制造商日益增多,各厂家产品命名不一,缺乏统一标准,导致不少用户对废气处理设备的认知存在困惑。 要准确理解这一问题,需先明确相关术语定义。以"何为废气处理设备"为例: 废气定义 从环保行业角度,废气指生产过程中产生的污染物。根据污染物成分,可分为以下两类: 粉尘类污染物:悬浮于气体中的固体颗粒物 烟气/恶臭类污染物:以气态形式存在的有害物质 设...
  • 2022 10 24

    喷淋塔技术原理与特性
    一、技术原理 喷淋塔为微分接触逆流式废气处理装置。其核心工作原理是通过污染物分离与转化实现废气净化,具体流程如下: 塔内填料作为气液接触基础介质,形成液膜覆盖表面 废气经塔顶进入填料层,与自上而下分布的喷淋液逆流接触 气体在填料间隙穿行时与液膜发生化学反应/中和作用 经处理的洁净气体通过除雾器收集后从出口排放 注:吸附剂根据废气特性配置,其摩尔流量比需通过精确计算确定。 二、核心特性 广谱适用性:...