2023 03 07
关于2022年度浙江省科学技术奖拟提名成果的公示
旋流板塔通常为圆柱塔体,塔内装有旋流塔片。工作时,烟气由塔底向上动,切向进塔,尤其是塔板叶片的导向作用而使烟气旋转上升,使在塔板上将逐板下流的液体喷成雾滴,使气液间有很大的接触面积;液滴被气流带动旋转,产生的离心力强化气夜间的接触。甩到塔壁上沿壁下流到下一层塔板上,再次被气流雾化而进行气液接触。如上所述。液体在与气体充分接触后又能有效的分离-避免雾沫夹带,其气液负荷比常用塔板大一倍以上。
由于塔内提供了良好的气液接触条件,气体中的废气被碱性液体吸收的效果好;旋流板塔同时具有很好的除尘性能,气体中的尘粒在旋流塔板上被水雾粘附而除去,此外,尘粒及雾滴受离心力甩到塔壁后,亦使之被粘附而除去,从而使气流带出塔的尘粒和雾滴很少,空塔风速2.2-2.7m/s。
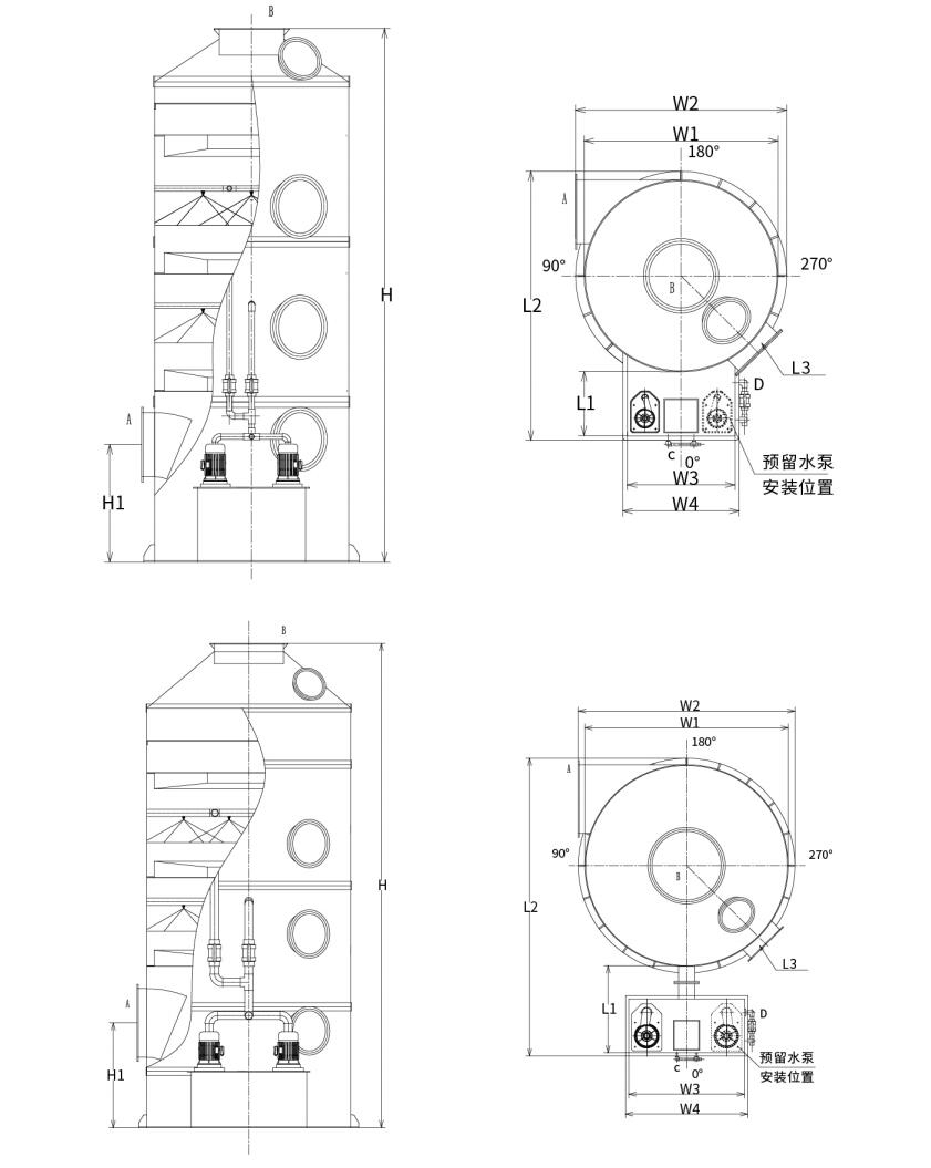
旋流喷淋塔结构
如图所示:填料喷淋洗涤整体设备包含若干配件:
1、PP板制作的塔体;
2、PP旋流片制作作为框架;
3、UPVC制作的喷淋连接管;
4、PP的螺旋喷嘴;
5、耐控制PP循环水泵;
6、丝网/旋流/折流板除雾层;
7、手动和自动补水装置;
8、溢流和排污管道;
9,检修观察窗。

旋风板塔选择参数:
旋流板塔的技术参数表
PP旋流板塔考虑运输的方便及安全性,故将分成两种规格类别;
第一种:连体式水箱旋流板塔(塔直径:Φ1000mm-02200mm)
第二种:分体式水箱旋流板塔(塔直径:Φ2500mm-Φ3500mm)
旋流板塔风量对应型号:
| 型号 | 风量范围 | 设备尺寸 | 水泵动率 | 旋流片 | 风速范围 | 设备材质 |
| XL-600 | 0-2800m³/h | Φ600×2950 | 0.75KW | 2 | 0-2.76m/s | PP/304/Q235/FRP |
| XL-800 | 3800-5000m³/h | Φ800×3300 | 0.75KW | 2 | 2.11-2.77m/s | PP/304/Q235/FRP |
| XL-1000 | 6000-7500m³/h | Φ1000×4380 | 1.5KW | 2 | 2.13-2.66m/s | PP/304/Q235/FRP |
| XL-1200 | 8500-11000m³/h | Φ1200×4430 | 2.2KW | 2 | 2.09-2.71m/s | PP/304/Q235/FRP |
| XL-1500 | 14000-17000m³/h | Φ1500×5000 | 3.75KW | 2 | 2.2-2.68m/s | PP/304/Q235/FRP |
| XL-1800 | 20000-25000m³/h | Φ1800×5650 | 5.5KW | 2 | 2.19-2.73m/s | PP/304/Q235/FRP |
| XL-2000 | 25001-30000m³/h | Φ2000×6200 | 5.5KW | 2 | 2.21-2.66m/s | PP/304/Q235/FRP |
| XL-2200 | 30001-37000m³/h | Φ2200×6700 | 7.5KW | 2 | 2.19-2.71m/s | PP/304/Q235/FRP |
| XL-2500 | 40000-47000m³/h | Φ2500×6850 | 7.5KW | 2 | 2.27-2.66m/s | PP/304/Q235/FRP |
| XL-2800 | 49000-58000m³/h | Φ2800×7900 | 11KW | 2 | 2.21-2.62m/s | PP/304/Q235/FRP |
| XL-3000 | 58000-68000m³/h | Φ3000×8000 | 11KW | 2 | 2.28-2.67m/s | PP/304/Q235/FRP |
| XL-3200 | 68000-78000m³/h | Φ3200×8000 | 15KW | 2 | 2.35-2.7m/s | PP/304/Q235/FRP |
| XL-3500 | 78000-88000m³/h | Φ3500×8000 | 15KW | 2 | 2.25-2.54m/s | PP/304/Q235/FRP |
注:可根据客户要求制作非标准设计。
选择图: 
服务单位客户
国家工程案例
杭州绿然环保集团股份有限公司是一家集研发、技术服务、设计、生产、工程安装、售后于一体的废气治理系统工程服务商和设备制造商。
集团为国家级高新技术企业,浙江省科技型企业,区研发中心、企业信用AAA级单位;拥有30余项实用新型专利及多项发明专利,软著,并长期和国内高校等开展技术研发合作,与安徽理工大学成立“环保创新研发中心”、浙江理工大学公司共同研发“等离子体能源环境新技术研发中心”,设立自己的研发生产基地进行深度技术合作,拥有VOC气体处理核心技术,拥有“市政公用工程施工总承包二级资质”,“安全生产许可证”,“环保浙江省环境污染治理专项设计乙级”,“劳务资质不分等级”,“特种工程专业承包”,等多项资质,并通过ISO9001国际质量体系认证,ISO14001环境管理体系认证,ISO45001职业健康管理体系认证。
2023 03 07
2023 03 06
2022 11 16
2022 10 26
2022 10 24
2022 10 24