2023 03 07
关于2022年度浙江省科学技术奖拟提名成果的公示
化学洗涤塔是一种先进的洗涤过滤器。它采用特殊结构的、比表面积较大的规整性填料作为传质和脱水填料,同时根据臭气中不同的致臭成分采用对应的酸液、碱液和氧化剂作为吸收洗涤液,去除空间中的异味。消除对周围环境的影响。
臭气的气流通过风管运输,从塔体进风口处进入塔内。进入塔体后,自下而上穿过填料层,从塔顶管道出口经防腐风机排出。中和药水在塔顶通过液体分离器,均匀地喷淋到填料层中。沿着填料层表面向下流动直到塔底由管道排出塔外,由防腐循环泵循环工作。由于上升气流中溶质的浓度越来越低,到塔顶时已达到净化功能,排放或者经由下一个步骤继续净化处理。相反,下降液体中的介质浓度越来越高,到塔底时达工艺条件要求,排出塔外。
喷淋填料塔优点:具备效率高、持液量小、体重轻,且易操作性强,能让工人上手。填料可按客户提供的工况要求进行选择,种类繁多,一般采用耐腐蚀的鲍尔环。但要注意的是固体悬浮物因为颗粒直径较大,可能会堵塞填充物,所以一般不适用与固体物处理上。诸如工厂产生的NH3、Hcl、H2S、氮氧化物及有机废气用此设备处理效果显著。
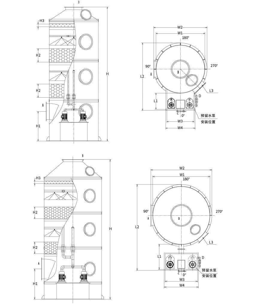
化学洗涤塔结构:
如图所示:填料喷淋洗涤整体设备包含若干配件:
1.、PP板制作的塔体;
2.PP格栅板制作的填料支撑框架;
3、UPVC制作的喷淋连接管;
4.,PP的螺旋喷喘;
5.空心球或鲍尔环填料;
6. 耐控制PP循环水泵;
7、丝网除雾层;
8、手动和自动补水装置;
9、溢流和排污管道;
10、检修观察窗。

化学洗涤塔选型
填料喷淋洗涤塔的技术参数表
PP填料喷淋洗涤塔考虑运输的方便及安全性,故将分成两种类别;
第一种:连体式水箱填料喷淋洗涤塔(塔直径:Φ1000mm-Φ2200mm)
第二种:分体式水箱填料喷淋洗涤塔(塔直径:Φ2500mm-Φ3500mm)
| 型号 | 处理风量 | 设备尺寸 | 水泵功率 | 填料厚度 | 风速 | 设备材质 |
| LRTL-600 | 0 - 1500m³/h | Φ600×3000 | 0.75KW | 500*2 | 1.48m/s | PP/304/Q235/FRP |
| LRTL-800 | 1501 - 2500m³/h | Φ800×3000 | 0.75KW | 500*2 | 1.39m/s | PP/304/Q235/FRP |
| LRTL-1000 | 2501 - 4000m³/h | Φ1000×5000 | 1.5KW | 500*2 | 1.42m/s | PP/304/Q235/FRP |
| LRTL-1200 | 4001 - 6000m³/h | Φ1200×5000 | 2.2KW | 500*2 | 1.48m/s | PP/304/Q235/FRP |
| LRTL-1500 | 6001 - 9500m³/h | Φ1500×5000 | 3.75KW | 500*2 | 1.5m/s | PP/304/Q235/FRP |
| LRTL-1800 | 9501 - 14000m³/h | Φ1800×5000 | 5.5KW | 500*2 | 1.53m/s | PP/304/Q235/FRP |
| LRTL-2000 | 14001 - 17000m³/h | Φ2000×6000 | 5.5KW | 500*2 | 1.5m/s | PP/304/Q235/FRP |
| LRTL-2200 | 17001 - 20000m³/h | Φ2200×6000 | 7.5KW | 500*2 | 1.46m/s | PP/304/Q235/FRP |
| LRTL-2500 | 20001 - 27000m³/h | Φ2500×6000 | 7.5KW | 500*2 | 1.53m/s | PP/304/Q235/FRP |
| LRTL-2800 | 27001 - 33000m³/h | Φ2800×6000 | 15KW | 500*2 | 1.49m/s | PP/304/Q235/FRP |
| LRTL-3000 | 33001 - 38000m³/h | Φ3000×6800 | 15KW | 500*2 | 1.49m/s | PP/304/Q235/FRP |
| LRTL-3200 | 38001 - 44000m³/h | Φ3200×6800 | 15KW | 500*2 | 1.52m/s | PP/304/Q235/FRP |
| LRTL-3500 | 44001 - 55000m³/h | Φ3500×6800 | 15KW | 500*2 | 1.5m/s | PP/304/Q235/FRP |
注意:可根据客户要求非标设计定制。
选择图: 
服务单位客户
国家工程案例
杭州绿然环保集团股份有限公司是一家集研发、技术服务、设计、生产、工程安装、售后于一体的废气治理系统工程服务商和设备制造商。
集团为国家级高新技术企业,浙江省科技型企业,区研发中心、企业信用AAA级单位;拥有30余项实用新型专利及多项发明专利,软著,并长期和国内高校等开展技术研发合作,与安徽理工大学成立“环保创新研发中心”、浙江理工大学公司共同研发“等离子体能源环境新技术研发中心”,设立自己的研发生产基地进行深度技术合作,拥有VOC气体处理核心技术,拥有“市政公用工程施工总承包二级资质”,“安全生产许可证”,“环保浙江省环境污染治理专项设计乙级”,“劳务资质不分等级”,“特种工程专业承包”,等多项资质,并通过ISO9001国际质量体系认证,ISO14001环境管理体系认证,ISO45001职业健康管理体系认证。
2023 03 07
2023 03 06
2022 11 16
2022 10 26
2022 10 24
2022 10 24